| Sign In | Join Free | My wneducation.com |
|
Brand Name : Seric
Model Number : 01 Series
Certification : CE, ISO
Place of Origin : Guangzhou, China
MOQ : 1 Piece
Price : Negotiable
Payment Terms : T/T,L/C,Western Union
Supply Ability : 5000
Delivery Time : 1-15 days
Packaging Details : Carton Box/Wooden Case
After Warranty Service : Online Support
OEM : Accept
Condition : 100% Brand-new
Quality : High-Quality
Application : Industrial Machinery
Selling Units : Single item
Check Valves 01 Series Type Of Modular Valve MCP-01 MCT-01
The modular valves are functional elements with which a hydraulic system can be composed and built easily by stacking them with the mounting bolts. Therefore, no piping is required for the manufacture of the hydraulic systems.
Seric's 01 Series Modular Valves are widely used to compose the hydraulic systems for the various industrial equipment including machine tools, special purpose machines and injection moulding machines.
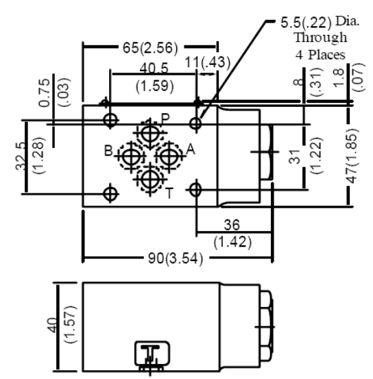
The valves have standardized mounting surface conforming to ISO 4401-AB-03-4-A and optimum thickness for the stacking.

| Model Numbers | Max. Operating Pressure MPa (PSI) | Max. Flow L /min (U.S.GPM) |
| MCP-01-∗-30 | 31.5 (4570) | 35 (9.25)★ |
| MCT-01-∗-30 |
| F- | MCP | -1 | 0 | -30 |
| Special Seals | Series Number | Valve Size | Pres. Adj . Range MPa (PSI) | Design Number |
| F: Special Seals for Phosphate Ester Type Fluids (Omit if not required) | MCP: Check Valve for P-Line | 1 | 0: 0.035 (5) 2: 0.2 (29) 4: 0.4 (58) | 30 |
| MCT: Check Valve for T-Line |
Hydraulic Fluid: Viscosity 35 mm²/ s (164 SSU), Specific Gravity 0.850


MCP01-∗-30, MCT-01-∗-30

Approx. Mass...... 1.1 kg (2.4 lbs.)
|
|
01 Series Hydraulic Modular Valve MCP-01 MCT-01 Modular Control Valve Images |